1、安全卡盤是為頻繁需要連接傳動和脫離動作的工做機構,提供快速、精確、簡易及安全的聯軸器
2、卡盤托口采用特殊的熱處理方式,極大的延長了使用壽命
3、卡盤使用關鍵尺寸均為加工中心、數控機床加工,保證其定位的精度
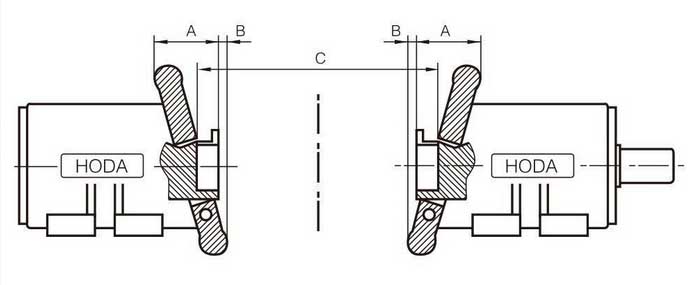
卷軸兩側規格尺寸
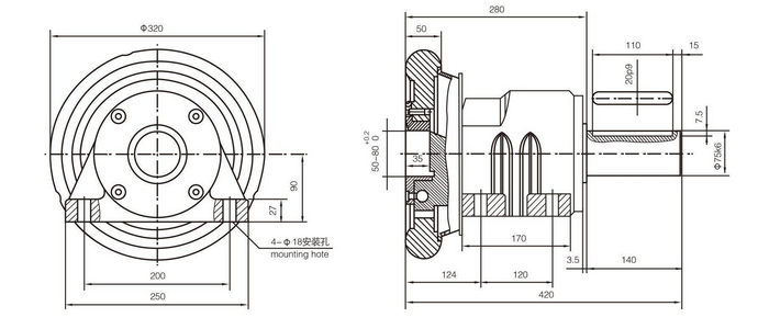
氣脹軸兩端尺寸

安裝注意事項:“宏大”牌安全卡盤制造時已經保證了工藝精度在允許范圍之內,但是在與氣脹軸一起安裝時其 不同心度必須小于0.3°,這樣才有助于卡盤的快速裝夾與脫離, 并能保證氣脹軸軸頭與卡盤脫口減少磨損、 延長壽命。如果誤差較大,還將引起料架與機器的振動,請特別關注!
規格參數
規格:28
STO/STW28基座式安全卡盤

FLO/FLW28法蘭式安全卡盤
規格:35

STO/STW35基座式安全卡盤

FLO/FLW35法蘭式安全卡盤
規格:50

STO/STW50基座式安全卡盤
FLO/FLW50法蘭式安全卡盤
規格:75
STO/STW75基座式安全卡盤
FLO/FLW75法蘭式安全卡盤
規格:100
STO/STW100基座式安全卡盤
FLO/FLW100法蘭式安全卡盤
|